公司简介
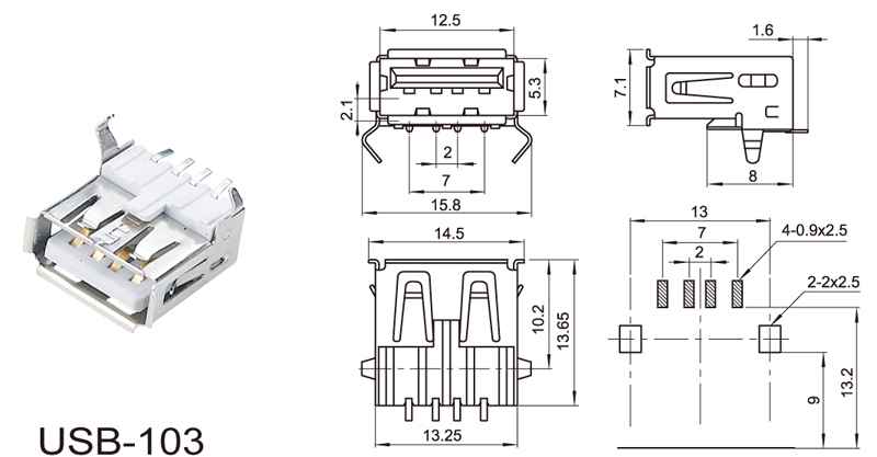
 USB插座系列 >> USB-103 1
1

 

1
  点击次数:571  发布时间: 【打印】 【返回 1