公司简介
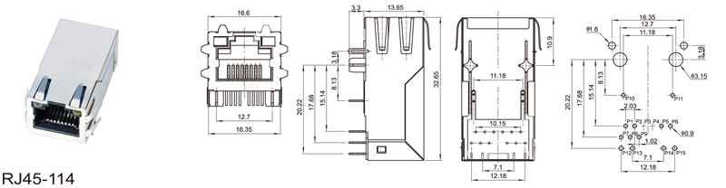
 RJ45网络插口系列 >> RJ45-114 1
1

 

1
  点击次数:317  发布时间: 【打印】 【返回 1