公司简介
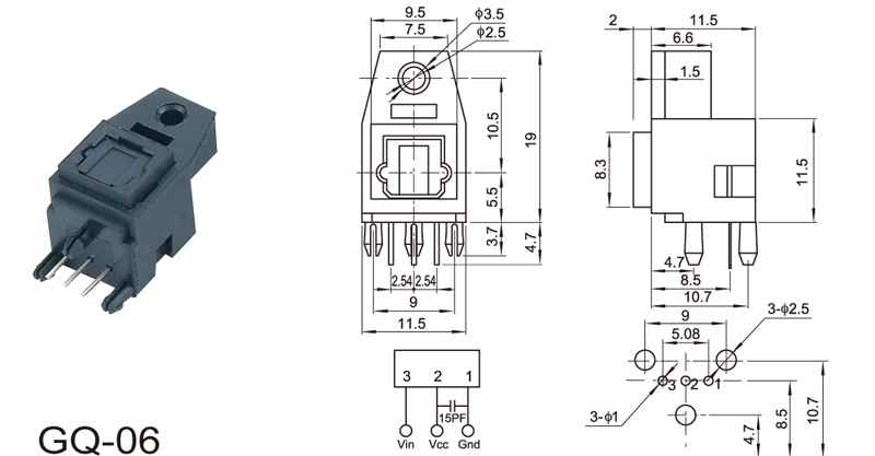
 GO光纤系列 >> GQ-06 1
1

 

1
  点击次数:652  发布时间: 【打印】 【返回 1